E+H電子差壓變送器PMD系列帶金屬測量膜片,用于差壓測量。PMD55差壓變送器采用壓阻式傳感器和焊接式金屬膜片,主要用于過程工業或環保行業內液體、蒸汽和氣體的差壓測量。測量范圍可調,快速設定簡化調試過程,降低成本,節約時間。符合IEC61508/IEC61511標準,滿足SIL3安全要求。可應用于:氣體、蒸汽和液體的流量測量;液體的液位、體積和質量測量;差壓監控,例如:過濾器和泵。
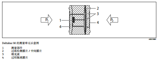
E+H電子差壓變送器PMD系列測量原理:在壓力 p1和p2作用下兩側的金屬過程隔離膜片 (4) 發生形變。填充液 (3) 將壓力傳輸至電阻橋路上 ( 半導體技術 )。測量與差壓相關的橋路輸出電壓變化量,并進行后續處理。


液位測量:
通過用戶自定義特征曲線可在任何形狀的罐體中進行體積和質量測量
• 多種液位測量單位可選
• 應用廣泛,例如:
– 超壓罐液位測量
– 泡沫液面
– 帶攪拌器或屏蔽裝置的罐體
– 液化氣體
– 標準液位測量


流量測量:
優勢
• 可以選擇下列五種流量測量方式:
– 體積流量
– 標準體積流量 ( 歐洲標準條件 )
– 標準體積流量 ( 美國標準條件 )
– 質量流量
–%
• 多種液位測量單位可選,自動單位轉換
• 小流量切除:功能打開時,可以抑制小流量,防止小流量導致測量值劇烈波動
• 標準配置中包含兩個累加器,其中的一個累加器可以復位至 0
• 每個累加器都可以分別設置各自的累積量單位。因此,累加器可以分別按日累加和按年累加


部分產品型號:
|
FTM50-AGG2A4A52AA |
FTM50-AB32A4A32AA |
FTM31-B4DA1AL=450MM |
FTM30D-G4KM1 |
|
FTM50-AGG2A4A32AA |
FTM50-6AG2K4A52AAL=160MM |
FTM31-A5DA1A,L=2500MM |
FTM30-B1DA1 |
|
FTM50-AGG2A4A14AA |
FTM50-4GG2A2A32AAL=155MM |
FTM31-A4DA1A,L=600mm |
FTM30-A4HA1 |
|
FTM50-AGG2A4A12AAA |
FTM50-4GG2A232AAL=155MM |
FTM31-A4BA1AL=600MM |
FTM30-A4GA1 |
|
FTM50-AGG2A4A12AA |
FTM50-4GG2A232AA |
FTM31-A4BA1A |
FTM30-A4FA1 |
|
FTM50-AGG2A2A72AA |
FTM32-A4BA1J |
FTM31-A4AB1AL=500mm |
FTM30-A4DB1 |
|
FTM50-AGG2A2A32AA |
FTM325-C2A1A |
FTM31-A2DA1B |
FTM30-A4DA1 |
|
FTM50-AGG2A2A12AA |
FTM31D-H4KPID |
FTM31-A2BA1AL=380MM |
FTM30-A4CA1 |
|
FTM50-AGG2A1A52AA |
FTM31D-H4KM1DL=400mm |
FTM31-A1DA1B |
FTM30-A4BA1 |
|
FTM50-AGG2A1A32AA |
FTM31D-G4KM1D |
FTM30S-N7BB1 |
FTM30-A4AA1,L=230mm |
E+H電子差壓變送器PMD相關產品圖片:
